Dieses Board war in einem Colani-Tower verbaut, den ich am 23.Dezember 2024 auf EBay ersteigert habe. Obwohl das EBay-Angebot aus Polen kam, stammte das Gerät selber aus Deutschland und wurde hier von der Firma Vobis Anfang der 90er verkauft.

Als ich das Board bekam, war die Batterie schon ausgelaufen und hatte einige Leiterbahnen auf dem Board zerstört. Ich habe die Batterie sowie die ersten beiden SIMM-Sockel (Doppelsockel) ausgelötet und die Korrosion mit Essig, Isopropylalkohol und Kontaktreiniger gereinigt. Anschließend habe ich die korrodierten Leiterbahnen geflickt und anschließend mit Lack versiegelt.

Als Lack hatte ich zuerst einen sehr zähflüssigen grünen Lack verwendet, der unter UV-Licht ausgehärtet werden musste. Das Ergebnis war wenig zufriedenstellend, so dass ich ihn teilweise wieder entfernt habe und anschließend Klarlack benutzt habe. Das führt jetzt dazu, dass einige Stellen auf dem Board so aussehen, als wären da noch korrodierte Kupferbahnen. Das ist zum Glück nur der UV-Lack, der beim Abschleifen eine hellgrüne Farbe angenommen hat.

Anstatt einer neuen Batterie habe ich eine Steckerleiste eingelötet, in die eine Batterie eingesteckt werden kann, so dass man sie schnell und einfach wieder herausnehmen kann, wenn man das Board einlagern will. Vielleicht fällt mir irgendwann eine bessere Lösung ein, die das ganze natürlicher aussehen lässt und vielleicht auch stabiler ist...

Foto

OCTEK HIPPO COM BoardOriginalfoto vom OCTEK HIPPO COM, © Carsten Schwender.

Schaltplan

Beim Testen des Boards funktionerte Anfangs alle wunderbar, aber nach einigen Tests bekam ich plötzlich beim Hochfahren während des POST einen Speicherfehler angezeigt. Austauschen der Speicherriegel zeigte leider keinen Erfolg. Im Zuge der Fehlersuche habe ich mir die Arbeit gemacht, den Schaltplan des Boards in KiCad zu dokumentieren. 

Da ich versucht habe, jede Leitung einzeln zu dokumentieren, ist der Schaltplan etwas unübersichtlich, in KiCad kann man sich aber jedes Netz einzeln hervorheben lassen und so überprüfen. Ich bin mir nicht sicher, ob ich wirklich alle Verbindungen gefunden habe, von der Logik her sollten aber zumindest die wichtigsten Funktionen dokumentiert sein.

Erschwerend kam da noch hinzu, dass es scheinbar (zumindest zu dem Zeitpunkt) keine Dokumentation über die Controller-Chips UM82C863 und UM82C865 gab, so dass ich das Pinout dieser Chips nebenher auch noch dokumentiert habe, sofern es durch einfaches Verfolgen der Leitungen möglich war. Die Leitungen, die lediglich diese beiden Chips miteinander verbinden, ohne irgendwo anders angeschlossen zu sein, konnte ich leider nicht benennen.

SchaltplanSchaltplan des OCTEK HIPPO COM, © Carsten Schwender. (Klick öffnet größeres Bild in neuem Fenster)

 

Sollte sich jemand berufen fühlen, den Schaltplan aufzuräumen und das Leitungsgewirr durch Busse zu ersetzen, ist er hiermit eingeladen, dies zu tun.

Das KiCad-Projekt inklusive der selbst erstellten Symbole findet sich hier: KiCad-Projekt OctekHippoCom.

Chipsatz

Auf dem Board befinden sich mehrere Chips von UMC. Leider ließen sich im Internet keine oder nur wenige Informationen über diese Chips finden. Das Duchmessen des Boards brachte folgende Erkenntnisse:

UM82C491F

beim UMC UM82C491F handelt es sich um den Chipsatz des Boards. Einen Pinbelegungsplan mit einigen Ungereimtheiten findet sich bei https://theretroweb.com/chips/2665, genaugenommen in diesem Dokument: https://theretroweb.com/chip/documentation/umc-82c491-pin-assignments-652aab888b6c3457343454.pdf. Pin 91 (MA11) scheint anders belegt zu sein, als in der Pinbelegungsliste (RAS3#), sowie mehrere Pins auf der rechten Seite im Bereich Pin 105 bis 140.

Meine Messungen ergaben folgende Belegung:

UM82C491F

Pinbelegung UM82C491F, © Carsten Schwender. (Klick öffnet größeres Bild in neuem Fenster)

UM82C863F

Beim UM82C863F handelt es sich um den IDE- und Floppy-Controller. Im Internet konnte ich keine Informationen finden. Folgendes Pinout konnte ich ausmessen:

UM82C863F

Pinbelegung UM82C863F, © Carsten Schwender. (Klick öffnet größeres Bild in neuem Fenster)

UM82C865F

Der UMC UM82C865F steuert den Parallelport, die seriellen Schnittstellen und den Gameport. Auch hier konnte ich keine Informationen im Internet finden.

UM82C865F

Pinbelegung UM82C865F, © Carsten Schwender. (Klick öffnet größeres Bild in neuem Fenster)

 

Cache

Auf dem Board ist kein Cache verbaut, allerdings gibt es einen nicht bestückten Anschluss direkt neben den SIMM-Steckplätzen, der aussieht, als gehöre er zu einem PS/2-Modul. Es handelt sich aber hierbei nicht um einen PS/2-Steckplatz, sondern um einen Steckplatz für ein Cache-Modul. Laut einem Post im DosReloaded-Forum wurden diese Cache-Module anscheinend aber nie produziert. Das Pinout des Moduls (mit einer etwas seltsamen Pinnumerierung) sieht wie folgt aus:

Cache-Anschluss        Cache Foto

Pinbelegung Cache-Modul, © Carsten Schwender.

Fehler des Floppycontrollers

Nachdem der Speicher endlich funktionierte verliefen erste Tests gut. Das Board bootete von einer IDE-SSD und auch von einer Diskette. MemTest86+ lief ohne Fehler durch. Allerdings hörte nach einiger Zeit das Diskettenlaufwerk auf zu funktionieren. Eine Controllerkarte brachte Abhilfe, aber Ziel ist es, das Board komplett ans Laufen zu bringen.

Schritt 1 - Signale durchmessen und mit dem funktionerenden Controller vergleichen

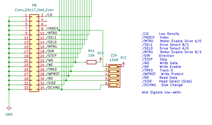
/LD - Datendichte auf der Disk: 1 = Low Density, 0 = High Density (standard)

Hier erwarte ich eine 0 für das HD Laufwerk.

Das linke Bild zeigt den defekten Controller, der die erwartete 0 für HD liefert, rechts der funktionerende Controller, der eine 1 für LD zeigt. das ist schonmal nicht wie erwartet.

/INDEX - Was auch immer das bedeutet...

ist bei beiden Controllern 1, scheint also soweit zu passen.

/MTR0 - Motor 0, ist durch das verdrehte Kabel bei Laufwerk A an Pin 16

Beim funktionierenden Controller ist das Signal Low, wenn der Motor laufen soll und High, wenn er steht. Beim defekten Controller zeigt sich obiges Bild, ein wechselndes Signal mit einer Frequenz von ca 1,8 MHz.

/SEL1 - Wähle Laufwerk 1 aus, durch das verdrehte Kabel an Pin 14

Bei beiden Controllern 0

/SEL0 - Wähle Laufwerk 0 aus, durch das verdrehte Kabel an Pin 12

Beim funktionierenden Controller auf 1, der defekte Controller zeigt kleine Peaks von unter 2V mit einer Frequenz von 500kHz.

/DIR - Richtung des Schrittmotors, der den Lesekopf steuert

Bei beiden Controllern immer auf 1

/STEP - Schritte des Schrittmotors ?

Bei beiden Controllern immer auf 1

/WD - zu schreibende Daten (seriell)

Beim funktionierenden Controller auf 1, wenn nicht geschrieben wird, beim defekten Controller wie im Bild gezeigt, geht immer wieder kurz auf 0 mit einer Frequenz von 250kHz.

/WE - Write Enable, Schreiben freigeben.

Bei beiden Controllern auf 1, wenn nicht geschrieben wird.

/TRK0 - Track 0 Sensor

Beim funktionierenden Controller auf 1, wenn der Schreib-/Lesekopf in der Ruheposition ist und auf 0, wenn der Kopf bewegt wird. Beim defekten Controller kurze Peaks bis knapp unter 4V bei ca. 500kHz.

/WPROT - Schreibschutz

Beim funktionierenden Controller auf 1 bei nichtbenutzung, bei Benutzung auf 1, wenn die Diskette schreibgeschützt ist, sonst auf 1. Beim defekten Controller immer auf 1, Lesen oder schreiben funktioniert nicht.

/RD - Read Data

Der funktionierende Controller zeigt die typische Datenübertragung beim Lesen, der defekte Controller liest nicht.

/SIDE - Seite

Bei beiden Controllern auf 1.

/DCHNG - Disk Change

Beim Funktionierenden Controller auf 1 und wechselt beim Lesen auf 0. Beim defekten Controller die gleichen Peaks wie bei /TRK0.

Die auffälligsten Signale sind /MTR0 und /WD. 

Das Motorsignal /MTR0 erinnert an die Ladekurve eines Kondensators. 

Sichtprüfung und Durchmessen der Leitungen, die seltsames Verhalten zeigen ergab weder Unterbrechungen noch Kurzschlüsse/Verbindungen zu anderen Leitungen.
Im Bild sind die Signale /MTR0, /SEL0 und WD gekennzeichnet.

Der Controller-Chip (UM80C863F) steuert auch den IDE-Anschluss und die Schnittstellen, welche alle funktionieren. 

Die Leitungen, die das selsame Verhalten zeigen sind mit nichts anderem Verbunden, als dem Chip, dem Anschluss und in einigen Fällen einem Pullup-Widerstand. Da dieser Chip die Steuersignale für den Floppyanschluss alle selbst erzeugt, liegt die Vermutung nahe, dass der Chip defekt ist. Die Nächste Aktion wäre also, den Chip zu ersetzen.

Also alten Chip entfernen und neuen Chip auflöten. Es sieht etwas unsauber aus, die Beinchen sind ein wenig verschoben, aber es gibt keine Kurzschlüsse.

Und das wichtigste: Das Diskettenlaufwerk funktioniert wieder!

weitere Links

Das OCTEK HIPPO COM auf The Retro Web: https://theretroweb.com/motherboards/s/octek-hippo-com-1.x

Das OCTEK HIPPO COM bei Amoretro: http://www.amoretro.de/2012/06/octek-hippo-com-486-motherboard-mit-onboard-controller.html

Infos über OCTEK auf DOS Days: https://www.dosdays.co.uk/topics/Manufacturers/octek.php

Das Handbuch auf ManualsLib: https://www.manualslib.com/manual/2188140/Octek-Hippo-Com.html#manual

 

 

Wir benutzen Cookies

Wir nutzen Cookies auf unserer Website. Einige von ihnen sind essenziell für den Betrieb der Seite, während andere uns helfen, diese Website und die Nutzererfahrung zu verbessern (Tracking Cookies). Sie können selbst entscheiden, ob Sie die Cookies zulassen möchten. Bitte beachten Sie, dass bei einer Ablehnung womöglich nicht mehr alle Funktionalitäten der Seite zur Verfügung stehen.